「一瞬の変動も見逃さない、極限のレスポンス。」
小型化と高耐圧を両立した、油圧システムの守護神です。
電気機械式(接点式)圧力スイッチ
Electromechanical Pressure Switches
設定圧力は最大300 barまで対応。超小型のSPST接点モデルから、最大250Vacの高負荷に対応するSPDT接点モデルまで、幅広い電気仕様をラインナップしています。
接続方式についても、ファストン端子、アース戻り接点、クランプ端子、リード線、さらにはAMP Superseal、Deutsch DT04-2P、Metri-Pack、DINコネクタといった各種コネクタ、本体一体型コネクタまで、あらゆる現場のニーズに応える多彩なインターフェースを用意。
小型で堅牢な固定設定タイプに加え、現場での微調整が可能な設定調整タイプを揃え、最高使用圧力450 barをカバーする高耐圧設計により、過酷な産業用途から精密な圧力管理まで、最適なソリューションを提供します。
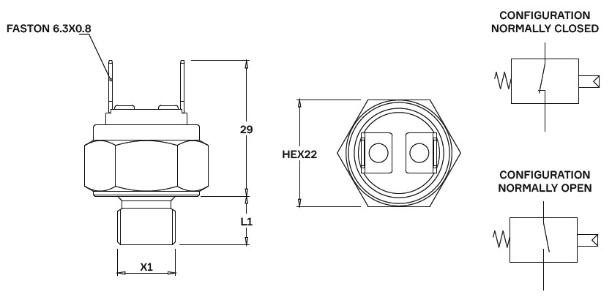
1. 超小型圧力スイッチ SPST NO 48V
miniaturized pressure switch SPST NO ≤ 48 V
PR1
最大48Vに対応するSPST接点を備えた、シンプルかつ超小型な固定設定タイプの圧力スイッチです。


| 接点タイプ | SPST接点(※1)、NO(※3)のみ |
| 設定圧力 / 機構 / 設定調整 | 0.5-2.5 bar, 2.5-4.5 bar, 4.5-7.0 bar / ダイヤフラム / 固定設定 から選択 |
| 最大ヒステリシス | ダイヤフラム:最大設定圧力の15% |
| 定格電圧 / 定格電流 | 48 V / 0.2 A |
| 本体材質および形状 | 真鍮 刻み加工付き 真鍮 HEX17ナット から選択 |
| 過圧限界 / 本体材質 / 機構 | 20 bar / 真鍮 / ダイヤフラム |
| 最高使用圧力 / 本体材質 / 機構 | 10 bar / 真鍮 / ダイヤフラム |
| 使用流体温度 | 「Selection guide of Diaphgrams & Seals」を参照ください |
| シール材質 | NBR |
| 取付け部ネジ (X1) | 1/8"BSPP (L1 10 mm) 1/8"-27NPT (L1 10 mm) から選択 |
| 端子 | ファストン端子(※6) 180° ファストン端子(※6) ケーブル/リード線仕様 250mm - IP67 から選択 |
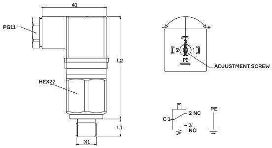
2. 固定設定圧力スイッチ SPST アース戻り 48V
fixed setting pressure switch SPST earth return contact ≤ 48 V
PR3E
ボディアース構造を採用し、最大48Vに対応するSPST接点を備えた、固定設定タイプの小型圧力スイッチです。


| 接点タイプ | SPST接点(※1)、NO(※3)とNC(※4)から選択 |
| 設定圧力 / 機構 / 設定調整 | 0.2-0.5 bar, 0.5-2 bar, 2-4 bar, 3-6 bar, 5-8 bar / ダイヤフラム / 固定設定 から選択 |
| 最大ヒステリシス | ダイヤフラム:最大設定圧力の10% |
| 定格電圧 / 定格電流 | 48 V / 0.5 A |
| 本体材質 | 真鍮 、亜鉛めっきスチールから選択 |
| 過圧限界 / 本体材質 / 機構 | 20 bar / 真鍮 / ダイヤフラム 20 bar / スチール / ダイヤフラム |
| 最高使用圧力 / 本体材質 / 機構 | 10 bar / 真鍮 / ダイヤフラム 10 bar / スチール / ダイヤフラム |
| 使用流体温度 | 「Selection guide of Diaphgrams & Seals」を参照ください |
| シール材質 | NBR |
| 取付け部ネジ (X1) | M10x1 (L1 10 mm) M10x1K (L1 10 mm) M12x1.5 (L1 12 mm) M12x1.75 (L1 12 mm) から選択 |
| 端子 | ファストン端子(※6)、アース戻り接点(※5) |
3. 固定設定圧力スイッチ SPST 48V
fixed setting pressure switch SPST ≤ 48 V
PR3I
最大48Vに対応するSPST接点を備えた固定設定タイプの小型圧力スイッチです。


| 接点タイプ | SPST接点(※1)、NO(※3)とNC(※4)から選択 |
| 設定圧力 / 機構 / 設定調整 | 0.2-0.5 bar, 0.5-2 bar, 2-4 bar, 3-6 bar, 5-8 bar / ダイヤフラム / 固定設定 から選択 |
| 最大ヒステリシス | ダイヤフラム:最大設定圧力の10% |
| 定格電圧 / 定格電流 | 48 V / 0.5 A |
| 本体材質 | 真鍮 、亜鉛めっきスチールから選択 |
| 過圧限界 / 本体材質 / 機構 | 20 bar / 真鍮 / ダイヤフラム 20 bar / スチール / ダイヤフラム |
| 最高使用圧力 / 本体材質 / 機構 | 10 bar / 真鍮 / ダイヤフラム 15 bar / スチール / ダイヤフラム |
| 使用流体温度 | 「Selection guide of Diaphgrams & Seals」を参照ください |
| シール材質 | NBR |
| 取付け部ネジ (X1) | M10x1 (L1 10 mm) M10x1K (L1 10 mm) M12x1.5 (L1 12 mm) M12x1.75 (L1 12 mm) から選択 |
| 端子 | ファストン端子(※6) |
4. 小型圧力スイッチ SPST NO 48V
compact pressure switch SPST NO ≤ 48 V
PR4
調整ネジによる現場設定が可能で、最大48V対応のSPST接点を備え、各種専用コネクタへの対応など多彩な接続オプションがある高耐圧・コンパクト設計の圧力スイッチです。


| 接点タイプ | SPST接点(※1)、NO(※3)のみ |
| 設定圧力 / 機構 / 設定調整 | 0.5-2 bar, 1-8 bar, 5-40 bar / ダイヤフラム / 設定調整可 から選択 |
| 最大ヒステリシス | ダイヤフラム:最大設定圧力の10% |
| 定格電圧 / 定格電流 | 48 V / 0.5 A |
| 本体材質 | 真鍮 、亜鉛めっきスチールから選択 |
| 過圧限界 / 本体材質 / 機構 | 80 bar / 真鍮 / ダイヤフラム 300 bar / スチール / ダイヤフラム |
| 最高使用圧力 / 本体材質 / 機構 | 40 bar / 真鍮 / ダイヤフラム 180 bar / スチール / ダイヤフラム |
| 使用流体温度 | 「Selection guide of Diaphgrams & Seals」を参照ください |
| シール材質 | HNBR、EPDM、MVQ (VMQ, シリコン)、FKMから選択 |
| 取付け部ネジ (X1) | 1/8"BSPT (L1 10 mm) 1/4"BSPT (L1 12 mm) 1/8"BSPP (L1 10 mm) 1/4"BSPP (L1 12 mm) M10x1 (L1 10 mm) M10x1K (L1 10 mm) M12x1.5 (L1 12 mm) 1/8"-27NPT (L1 10 mm) 1/4"-18NPT (L1 12 mm) から選択 |
| 端子 | ファストン端子(※6) (オプション保護キャップ KT011 - IP54、KT012 - IP65) ケーブル 250mm + AMP Superseal コネクタ 1.5シリーズ 2極 - IP67 ケーブル 250mm + Deutsch DT04-2P コネクタ - IP67 ケーブル 250mm + Metri-Pack (MP280) コネクタ - IP67 から選択 |
| 設定動作 | 上昇作動 (Rising Setup)、下降作動 (Falling Setup)から選択 |
5. 圧力スイッチ SPST ファストン 48V
pressure switch SPST faston ≤ 48 V
PR5
調整ネジによる現場設定が可能で、ダイアフラム仕様に加えピストン仕様も選択可能な、最高使用圧力450barまでカバーする高耐圧設計の小型圧力スイッチです 。


| 接点タイプ | SPST接点(※1)、NO(※3)とNC(※4)から選択 |
| 設定圧力 / 機構 / 設定調整 | 0.1-1 bar, 0.2-2 bar, 1.5-10 bar, 9-20 bar, 15-50 bar, 40-80 bar, 50-100 bar / ダイヤフラム / 設定調整可 50-150 bar, 100-250 bar, 40-300 bar / ピストン / 設定調整可 から選択 |
| 最大ヒステリシス | ダイヤフラム:最大設定圧力の10% ピストン:最大設定圧力の15% |
| 定格電圧 / 定格電流 | 12 V / 50 mA (金めっき内部接点) 48 V / 0.5 A から選択 |
| 本体材質 | 真鍮 、亜鉛めっきスチール、ステンレス (SUS303)、ステンレス (SUS316)から選択 |
| 過圧限界 / 本体材質 / 機構 | 80 bar / 真鍮 / ダイヤフラム 300 bar / スチール / ダイヤフラム 600 bar / スチール / ピストン |
| 最高使用圧力 / 本体材質 / 機構 | 40 bar / 真鍮 / ダイヤフラム 180 bar / スチール / ダイヤフラム 450 bar / スチール / ピストン |
| 使用流体温度 | 「Selection guide of Diaphgrams & Seals」を参照ください |
| シール材質 | HNBR、EPDM、MVQ (VMQ, シリコン)、FKM、ステンレスダイヤフラムから選択 |
| 取付け部ネジ (X1) | 1/8"BSPT (L1 10 mm) 1/4"BSPT (L1 12 mm) 1/8"BSPP (L1 10 mm) 1/4"BSPP (L1 12 mm) M10x1 (L1 10 mm) M10x1K (L1 10 mm) M12x1.5 (L1 12 mm) 1/8"-27NPT (L1 10 mm) 1/4"-18NPT (L1 12 mm) から選択 |
| 端子 | ファストン端子(※6) (オプション保護キャップ KT011 - IP54、KT012 - IP65) |
| L2寸法 | 39 mm / ダイヤフラム 42 mm / ピストン |
| 設定動作 | 上昇作動 (Rising Setup)、下降作動 (Falling Setup)から選択 |
6. 圧力スイッチ SPST クランプ 48V
pressure switch SPST clamps ≤ 48 V
PR6
調整ネジによる現場設定が可能で、クランプ端子の採用により確実な配線接続を実現。
ピストン機構の選択により最高使用圧力450barまでカバーする、高耐圧設計の圧力スイッチです。


| 接点タイプ | SPST接点(※1)、NO(※3)とNC(※4)から選択 |
| 設定圧力 / 機構 / 設定調整 | 0.1-1 bar, 0.2-2 bar, 1.5-10 bar, 9-20 bar, 15-50 bar, 40-80 bar, 50-100 bar / ダイヤフラム / 設定調整可 50-150 bar, 100-250 bar, 40-300 bar / ピストン / 設定調整可 から選択 |
| 最大ヒステリシス | ダイヤフラム:最大設定圧力の10% ピストン:最大設定圧力の15% |
| 定格電圧 / 定格電流 | 12 V / 50 mA (金めっき内部接点) 48 V / 0.5 A から選択 |
| 本体材質 | 真鍮 、亜鉛めっきスチール、ステンレス (SUS303)、ステンレス (SUS316)から選択 |
| 過圧限界 / 本体材質 / 機構 | 80 bar / 真鍮 / ダイヤフラム 300 bar / スチール / ダイヤフラム 600 bar / スチール / ピストン |
| 最高使用圧力 / 本体材質 / 機構 | 40 bar / 真鍮 / ダイヤフラム 180 bar / スチール / ダイヤフラム 450 bar / スチール / ピストン |
| 使用流体温度 | 「Selection guide of Diaphgrams & Seals」を参照ください |
| シール材質 | HNBR、EPDM、MVQ (VMQ, シリコン)、FKM、ステンレスダイヤフラムから選択 |
| 取付け部ネジ (X1) | 1/8"BSPT (L1 10 mm) 1/4"BSPT (L1 12 mm) 1/8"BSPP (L1 10 mm) 1/4"BSPP (L1 12 mm) M10x1 (L1 10 mm) M10x1K (L1 10 mm) M12x1.5 (L1 12 mm) 1/8"-27NPT (L1 10 mm) 1/4"-18NPT (L1 12 mm) から選択 |
| 端子 | クランプ端子(※7)、保護接地(PE)付き (オプション保護キャップ KT011 - IP54、KT012 - IP65) |
| L2寸法 | 48 mm / ダイヤフラム 51 mm / ピストン |
| 設定動作 | 上昇作動 (Rising Setup)、下降作動 (Falling Setup)から選択 |
7. 圧力スイッチ SPDT 250V
pressure switch SPDT ground terminal ≤ 250 V
PR7
調整ネジによる現場設定が可能で、SPDT接点を備え、最大250Vac/5Aの高電圧・高電流負荷にも対応。
ピストン機構の選択により最高使用圧力450barまでカバーする、高耐圧設計の圧力スイッチです。


| 接点タイプ | SPDT接点(※2)、NO(※3)またはNC(※4)としても使用可 |
| 設定圧力 / 機構 / 設定調整 | 0.3-1 bar, 0.5-2 bar, 1.5-10 bar, 9-20 bar, 15-50 bar, 40-80 bar, 50-100 bar / ダイヤフラム / 設定調整可 50-150 bar, 100-250 bar, 40-300 bar / ピストン / 設定調整可 から選択 |
| 最大ヒステリシス | ダイヤフラム:最大設定圧力の10% ピストン:最大設定圧力の15% |
| 定格電圧 / 定格電流 | 12 V / 100 mA (金めっき内部接点) 250 Vac / 5 A または 48 Vdc / 4 A から選択 |
| 本体材質 | 真鍮 、亜鉛めっきスチール、ステンレス (SUS303)、ステンレス (SUS316)から選択 |
| 過圧限界 / 本体材質 / 機構 | 80 bar / 真鍮 / ダイヤフラム 300 bar / スチール / ダイヤフラム 600 bar / スチール / ピストン |
| 最高使用圧力 / 本体材質 / 機構 | 40 bar / 真鍮 / ダイヤフラム 180 bar / スチール / ダイヤフラム 450 bar / スチール / ピストン |
| 使用流体温度 | 「Selection guide of Diaphgrams & Seals」を参照ください |
| シール材質 | HNBR、EPDM、MVQ (VMQ, シリコン)、FKM、ステンレスダイヤフラムから選択 |
| 取付け部ネジ (X1) | 1/8"BSPT (L1 10 mm) 1/4"BSPT (L1 12 mm) 1/8"BSPP (L1 10 mm) 1/4"BSPP (L1 12 mm) M10x1 (L1 10 mm) M10x1K (L1 10 mm) M12x1.5 (L1 12 mm) 1/8"-27NPT (L1 10 mm) 1/4"-18NPT (L1 12 mm) から選択 |
| 端子 | ファストン端子(※6)、保護接地(PE)付き (オプション保護キャップ KT011 - IP54、KT012 - IP65) |
| L2寸法 | 52 mm / ダイヤフラム 54 mm / ピストン |
| 設定動作 | 上昇作動 (Rising Setup)、下降作動 (Falling Setup)から選択 |
8. 小型圧力スイッチ SPDT 250V
compact pressure switch SPDT ≤ 250 V
PR8
調整ネジによる現場設定が可能で、SPDT接点を備え、最大250Vac/5Aの高電圧・高電流負荷にも対応。
ファストン端子の他、各種専用コネクタへの対応など多彩な接続オプションを用意。
ピストン機構の選択により最高使用圧力450barまでカバーする、シリーズ最小クラスの全長を実現した高耐圧・小型圧力スイッチです。


| 接点タイプ | SPDT接点(※2)、NO(※3)またはNC(※4)としても使用可 |
| 設定圧力 / 機構 / 設定調整 | 0.3-1 bar, 0.5-2 bar, 1.5-10 bar, 9-20 bar, 15-50 bar, 40-80 bar, 50-100 bar / ダイヤフラム / 設定調整可 50-150 bar, 100-250 bar, 40-300 bar / ピストン / 設定調整可 から選択 |
| 最大ヒステリシス | ダイヤフラム:最大設定圧力の10% ピストン:最大設定圧力の15% |
| 定格電圧 / 定格電流 | 12 V / 100 mA (金めっき内部接点) 250 Vac / 5 A または 48 Vdc / 4 A から選択 |
| 本体材質 | 真鍮 、亜鉛めっきスチール、ステンレス (SUS303)、ステンレス (SUS316)から選択 |
| 過圧限界 / 本体材質 / 機構 | 80 bar / 真鍮 / ダイヤフラム 300 bar / スチール / ダイヤフラム 600 bar / スチール / ピストン |
| 最高使用圧力 / 本体材質 / 機構 | 40 bar / 真鍮 / ダイヤフラム 180 bar / スチール / ダイヤフラム 450 bar / スチール / ピストン |
| 使用流体温度 | 「Selection guide of Diaphgrams & Seals」を参照ください |
| シール材質 | HNBR、EPDM、MVQ (VMQ, シリコン)、FKM、ステンレスダイヤフラムから選択 |
| 取付け部ネジ (X1) | 1/8"BSPT (L1 10 mm) 1/4"BSPT (L1 12 mm) 1/8"BSPP (L1 10 mm) 1/4"BSPP (L1 12 mm) M10x1 (L1 10 mm) M10x1K (L1 10 mm) M12x1.5 (L1 12 mm) 1/8"-27NPT (L1 10 mm) 1/4"-18NPT (L1 12 mm) から選択 |
| 端子 | ファストン端子(※6) (オプション保護キャップ KT011 - IP54、KT012 - IP65) ケーブル 250mm + AMP Superseal コネクタ 1.5シリーズ 2極 - IP67 ケーブル 250mm + Deutsch DT04-2P コネクタ - IP67 ケーブル 250mm + Metri-Pack (MP280) コネクタ - IP67 から選択 |
| L2寸法 | 39 mm / ダイヤフラム 42 mm / ピストン |
| 設定動作 | 上昇作動 (Rising Setup)、下降作動 (Falling Setup)から選択 |
9. 圧力スイッチ コネクタ一体型
pressure switch SPST integrated connector ≤ 250 V
PR9
調整ネジによる現場設定が可能で、一体型コネクタの採用によりIP67の防塵・防水性能を実現。
最大250Vac/5Aの高電圧・高電流負荷に対応し 、ピストン機構の選択により最高使用圧力450barまでカバーする 、高耐圧設計の圧力スイッチです。


| 接点タイプ | SPST接点(※1)、NO(※3)とNC(※4)から選択 |
| 設定圧力 / 機構 / 設定調整 | 0.3-1 bar, 0.5-2 bar, 1.5-10 bar, 9-20 bar, 15-50 bar, 40-80 bar, 50-100 bar / ダイヤフラム / 設定調整可 50-150 bar, 100-250 bar, 40-300 bar / ピストン / 設定調整可 から選択 |
| 最大ヒステリシス | ダイヤフラム:最大設定圧力の10% ピストン:最大設定圧力の15% |
| 定格電圧 / 定格電流 | 12 V / 100 mA (金めっき内部接点) 250 Vac / 5 A または 48 Vdc / 4 A から選択 |
| 本体材質 | 真鍮 、亜鉛めっきスチール、ステンレス (SUS303)、ステンレス (SUS316)から選択 |
| 過圧限界 / 本体材質 / 機構 | 80 bar / 真鍮 / ダイヤフラム 300 bar / スチール / ダイヤフラム 600 bar / スチール / ピストン |
| 最高使用圧力 / 本体材質 / 機構 | 40 bar / 真鍮 / ダイヤフラム 180 bar / スチール / ダイヤフラム 450 bar / スチール / ピストン |
| 使用流体温度 | 「Selection guide of Diaphgrams & Seals」を参照ください |
| シール材質 | HNBR、EPDM、MVQ (VMQ, シリコン)、FKM、ステンレスダイヤフラムから選択 |
| 取付け部ネジ (X1) | 1/8"BSPT (L1 10 mm) 1/4"BSPT (L1 12 mm) 1/8"BSPP (L1 10 mm) 1/4"BSPP (L1 12 mm) M10x1 (L1 10 mm) M10x1K (L1 10 mm) M12x1.5 (L1 12 mm) 1/8"-27NPT (L1 10 mm) 1/4"-18NPT (L1 12 mm) から選択 |
| 端子 | AMP Superseal コネクタ 1.5シリーズ 2極 - IP67 Deutsch DT04-2P コネクタ - IP67 から選択 |
| L2寸法 | 61 mm / ダイヤフラム / AMP Superseal コネクタ 1.5シリーズ 64 mm / ピストン / AMP Superseal コネクタ 1.5シリーズ 64 mm / ダイヤフラム / Deutsch DT04-2P 67 mm / ピストン / Deutsch DT04-2P |
| 設定動作 | 上昇作動 (Rising Setup)、下降作動 (Falling Setup)から選択 |
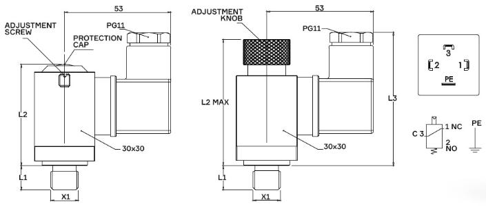
10. 圧力スイッチ SPDT DIN 250V
pressure switch SPDT DIN connector ≤ 250 V
P27
調整ネジによる現場設定が可能で、DINコネクタ(EN 175301-803-A)の採用により確実な電気接続とIP65の保護等級を実現。
SPDT接点を備え、最大250Vac/5Aの高電圧・高電流負荷に対応するとともに、ピストン機構の選択により最高使用圧力450barまでカバーする高耐圧設計の圧力スイッチです。


| 接点タイプ | SPDT接点(※2)、NO(※3)またはNC(※4)としても使用可 |
| 設定圧力 / 機構 / 設定調整 | 0.3-1 bar, 0.5-2 bar, 1.5-10 bar, 9-20 bar, 15-50 bar, 40-80 bar, 50-100 bar / ダイヤフラム / 設定調整可 50-150 bar, 100-250 bar, 40-300 bar / ピストン / 設定調整可 から選択 |
| 最大ヒステリシス | ダイヤフラム:最大設定圧力の10% ピストン:最大設定圧力の15% |
| 定格電圧 / 定格電流 | 12 V / 100 mA (金めっき内部接点) 250 Vac / 5 A または 48 Vdc / 4 A から選択 |
| 本体材質 | 真鍮 、亜鉛めっきスチール、ステンレス (SUS303)、ステンレス (SUS316)から選択 |
| 過圧限界 / 本体材質 / 機構 | 80 bar / 真鍮 / ダイヤフラム 300 bar / スチール / ダイヤフラム 600 bar / スチール / ピストン |
| 最高使用圧力 / 本体材質 / 機構 | 40 bar / 真鍮 / ダイヤフラム 180 bar / スチール / ダイヤフラム 450 bar / スチール / ピストン |
| 使用流体温度 | 「Selection guide of Diaphgrams & Seals」を参照ください |
| シール材質 | HNBR、EPDM、MVQ (VMQ, シリコン)、FKM、ステンレスダイヤフラムから選択 |
| 取付け部ネジ (X1) | 1/8"BSPT (L1 10 mm) 1/4"BSPT (L1 12 mm) 1/8"BSPP (L1 10 mm) 1/4"BSPP (L1 12 mm) M10x1 (L1 10 mm) M10x1K (L1 10 mm) M12x1.5 (L1 12 mm) 1/8"-27NPT (L1 10 mm) 1/4"-18NPT (L1 12 mm) から選択 |
| 端子 | DINコネクタ EN 175301-803-A (DIN43650/A) - IP65、保護接地(PE)付き LED DINコネクタ EN 175301-803-A (DIN43650/A) - IP65、保護接地(PE)付き から選択 |
| L2寸法 | 65 mm / ダイヤフラム 68 mm / ピストン |
| 設定動作 | 上昇作動 (Rising Setup)、下降作動 (Falling Setup)から選択 |
11. 圧力スイッチ SPDT DIN 250V
pressure switch SPDT DIN connector ≤ 250 V
PC3
調整ネジまたは調整ノブによる現場設定が可能で、DINコネクタの採用によりIP65の保護等級を実現。
SPDT接点を備え、最大250Vac/5Aの高電圧・高電流負荷に対応するとともに、ピストン機構の選択により最高使用圧力450barまでカバーする、操作性に優れた圧力スイッチです。


| 接点タイプ | SPDT接点(※2)、NO(※3)またはNC(※4)としても使用可 |
| 設定圧力 / 機構 / 設定調整 | 0.3-1 bar, 0.5-2 bar, 1.5-10 bar, 9-20 bar, 15-50 bar, 40-80 bar, 50-100 bar / ダイヤフラム / 設定調整可 50-150 bar, 100-250 bar, 120-300 bar / ピストン / 設定調整可 から選択 |
| 最大ヒステリシス | ダイヤフラム:最大設定圧力の10% ピストン:最大設定圧力の15% |
| 定格電圧 / 定格電流 | 12 V / 100 mA (金めっき内部接点) 250 Vac / 5 A または 48 Vdc / 4 A から選択 |
| 本体材質 | 亜鉛めっきスチール |
| 過圧限界 / 本体材質 / 機構 | 300 bar / スチール / ダイヤフラム 600 bar / スチール / ピストン |
| 最高使用圧力 / 本体材質 / 機構 | 180 bar / スチール / ダイヤフラム 450 bar / スチール / ピストン |
| 使用流体温度 | 「Selection guide of Diaphgrams & Seals」を参照ください |
| シール材質 | HNBR、EPDM、MVQ (VMQ, シリコン)、FKMから選択 |
| 取付け部ネジ (X1) | 1/8"BSPT (L1 10 mm) 1/4"BSPT (L1 12 mm) 1/8"BSPP (L1 10 mm) 1/4"BSPP (L1 12 mm) から選択 |
| 端子 | DINコネクタ EN 175301-803-A (DIN43650/A) - IP65、保護接地(PE)付き |
| 調節方式 (L2寸法) | 調節ネジ (L2 ダイヤフラム 51 mm、ピストン 55 mm) 調節ノブ (L2 ダイヤフラム 65 mm、ピストン 69 mm) から選択 |
| 設定動作 | 上昇作動 (Rising Setup)、下降作動 (Falling Setup)から選択 |
12. 圧力スイッチ SPDT DIN Cetop G1/4”F
pressure switch SPDT DIN connector (cetop + G 1/4’’ F)
???
現在作成中

差圧スイッチ
Differential Pressure Switches
磁気駆動式を採用し、フィルターの目詰まり検知などに最適な差圧スイッチ。電気信号を出力する差圧スイッチ(SPST/SPDT接点)と、電源不要で状態を確認できる目視式(指示計)をラインナップしています。
最高使用圧力450 bar、過圧限界600 barの極めて高い耐圧性能を誇り、高圧ラインでも安心して使用可能。一体型コネクタやDINコネクタの選択により高い防水性を確保し、過酷な環境下でも確実な差圧管理を実現します。
13. 電気式差圧スイッチ 磁気駆動式 SPST
electrical differential pressure indicator magnetic drive – SPST
PE3
磁気駆動式を採用し、2点間の圧力差を検知する差圧スイッチです。
一体型コネクタの採用によりIP67の防塵・防水性能を実現。
最高使用圧力450barまで対応し、過酷な環境下でも確実な動作が可能な高耐圧設計の小型スイッチです。


| 接点タイプ | SPST接点(※1)、NO(※3)とNC(※4)から選択 |
| 動作ロジック | A:(P1-P2)、B:(P2-P1)から選択 |
| 設定圧力 / 機構 / 設定調整 | 1.3 bar (±15%), 2 bar (±10%), 2.5 bar (±10%), 3 bar (±10%), 5 bar (±10%), 8 bar (±10%) / 磁気駆動式(※8) / 固定設定 から選択 |
| 定格電圧 / 定格電流 | 12 V / 100 mA (金めっき内部接点) 48 V / 4 A から選択 |
| 本体材質 | アルミニウム、真鍮から選択 |
| 過圧限界 | 600 bar |
| 最高使用圧力 | 450 bar |
| 使用流体種類 | オイル |
| 使用流体温度 | -30°C ~ +140°C |
| シール材質 | NBR、FKMから選択 |
| 取付け部ネジ (X1) | 1/2"BSPP (L1 25.5 mm) M20x1.5 (L1 25.5 mm) から選択 |
| 端子 | AMP Superseal コネクタ 1.5シリーズ 2極 - IP67 Deutsch DT04-2P コネクタ - IP67 AMP Junior Power Timer コネクタ - IP65 から選択 |
| L2寸法 | 45 mm / AMP Superseal コネクタ 50 mm / Deutsch DT04-2P コネクタ 45 mm / AMP Junior Power Timer コネクタ |
| 設定動作 | 上昇作動 (Rising Setup)、下降作動 (Falling Setup)から選択 |
14. 電気式差圧スイッチ 磁気駆動式 SPDT
electrical differential pressure indicator magnetic drive – SPDT
PE5
磁気駆動式を採用し、2点間の圧力差を検知する差圧スイッチです。
DINコネクタの採用によりIP65の保護等級を実現。
SPDT接点を備え、最高使用圧力450 barまでカバーする高耐圧設計のスイッチです。


| 接点タイプ | SPDT接点(※2) |
| 動作ロジック | A:(P1-P2)、B:(P2-P1)から選択 |
| 設定圧力 / 機構 / 設定調整 | 1.3 bar (±15%), 2 bar (±10%), 2.5 bar (±10%), 3 bar (±10%), 5 bar (±10%), 8 bar (±10%) / 磁気駆動式(※8) / 固定設定 から選択 |
| 定格電圧 / 定格電流 | 12 V / 100 mA (金めっき内部接点) 48 V / 4 A から選択 |
| 本体材質 | アルミニウム、真鍮から選択 |
| 過圧限界 | 600 bar |
| 最高使用圧力 | 450 bar |
| 使用流体種類 | オイル |
| 使用流体温度 | -30°C ~ +140°C |
| シール材質 | NBR、FKMから選択 |
| 取付け部ネジ (X1) | 1/2"BSPP (L1 25.5 mm) M20x1.5 (L1 25.5 mm) から選択 |
| 端子 | DINコネクタ EN 175301-803-A (DIN43650/A) - IP65 LED DINコネクタ EN 175301-803-A (DIN43650/A) - IP65 から選択 |
| L2寸法 | 66 mm |
| 設定動作 | 上昇作動 (Rising Setup)、下降作動 (Falling Setup)から選択 |
15. 目視式差圧指示計 磁気駆動式
optical differential pressure indicator magnetic drive
PV1
設定圧に達すると目視インジケーターが緑から赤に切り替わる、視認性に優れた差圧指示計です。
電気接続を必要としないため電源確保が難しい場所でも設置でき、磁気駆動式と最高使用圧力450 barの高耐圧設計により、過酷な環境下でも確実なステータス表示を可能にします。


| 表示方式 | 目視式(※9) |
| 表示色 | 緑(通常時)、赤(作動時) |
| 動作ロジック | A:(P1-P2)、B:(P2-P1)から選択 |
| 設定圧力 / 機構 / 設定調整 | 1.3 bar (±15%), 2 bar (±10%), 2.5 bar (±10%), 3 bar (±10%), 5 bar (±10%), 8 bar (±10%) / 磁気駆動式(※8) / 固定設定 から選択 |
| 本体材質 | 真鍮 |
| 本体形状 | HEX27ナット HEX30ナット から選択 |
| 過圧限界 | 600 bar |
| 最高使用圧力 | 450 bar |
| 使用流体種類 | オイル |
| 使用流体温度 | -30°C ~ +140°C |
| シール材質 | NBR、FKMから選択 |
| 取付け部ネジ (X1) | 1/2"BSPP (L1 25.5 mm) M20x1.5 (L1 25.5 mm) から選択 |
| L2寸法 | 32.5 mm |
脚注
※1:SPST (Single Pole Single Throw):最もシンプルな「ONかOFFか」のスイッチです。
※2:SPDT (Single Pole Double Throw):1つの入力を2つの出力のどちらかに切り替えるタイプです。「AがOFFの時はBがON」というような複雑な制御が可能です。c接点。
※3:NO (Normally Open):普段は回路が開いていて(OFF)、作動すると閉じます(ON)。a接点。
※4:NC (Normally Closed):普段は回路が閉じていて(ON)、作動すると開きます(OFF)。b接点。
※5:アース戻り接点 (Earth return contact):取付部を回路の一部(アース)として利用する、配線1本のみの接続方式です。
※6:ファストン (Faston) 端子:差し込み式の平型端子です。抜き差しが容易です。
※7:クランプ (Clamp) 端子:ネジなどで電線を締め付けて固定するタイプです。
※8:磁気駆動式 (Magnetic drive):内部のピストンが動くと、磁力で外側のスイッチを動かす仕組みです。受圧部(油などが通る場所)とスイッチ部が完全に隔離されているため、漏れに強く、高圧にも耐えやすいのが特徴です。
※9:目視式 (Optical):電気信号を出さず、「見た目」で状態を知らせます。電源が不要なので、配線できない場所でも使えます。
端子の仕様外観については、「Caps & Connectors」を参照ください。
