「目視の安心と、自動化の精度を。」
タンク内の液体管理をより容易に、より正確にします。
目視式レベルゲージ
Visual Level Switches
温度計付きモデルや、設置箇所に合わせて長さをカスタマイズできる目視式・電気式併用モデルを展開。
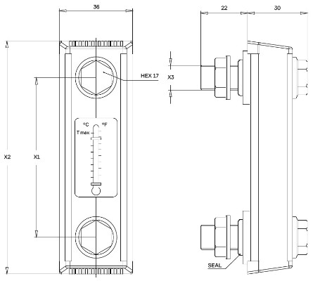
1. 目視式レベルゲージ 温度計付き
visual indicator with thermometer
LA9
温度計を内蔵した目視式レベルゲージです 。


| 特徴 | 液面表示窓に温度計付属 |
| 本体材質 | ケース:トロガミド ヘッド:ナイロン カバー:アルマイト加工アルミニウム 接続ネジ:ステンレス |
| シール材質 | NBR または FKM から選択 |
| 最高使用圧力 | 1 bar |
| 使用流体温度 | -20°C ~ +100°C |
| 寸法・取付け部ネジ | S (X1 76 mm, X2 106 mm, X3 M10, 温度計範囲 -20°C ~ +80°C) M (X1 127 mm, X2 157 mm, X3 M12, 温度計範囲 -20°C ~ +100°C) L (X1 254 mm, X2 284 mm, X3 M12, 温度計範囲 -20°C ~ +100°C) から選択 |
2. 目視式/電気式レベルゲージ
visual/electrical indicator customized length
LA7E
目視での確認に加え、電気信号による液面検知が可能なレベルゲージです 。


| 接点タイプ | SPDT接点(※2) 1接点 / 2接点 から選択 |
| 定格電圧 / 定格電流 | 30 Vac/dc / 0.25 A |
| 切替電圧 | 150 Vdc/Vac |
| 本体材質 | チューブ:ポリカーボネート ヘッド:ナイロン PA66 ケース:アルマイト加工アルミニウム 接続ネジ:亜鉛めっきスチール フロート:ポリプロピレン |
| シール材質 | NBR または FKM から選択 |
| 最高使用圧力 | 1 bar |
| 使用流体温度 | -20°C ~ +100°C |
| 寸法・取付け部ネジ | 長さ:76 mm(E2バージョンは不可)、127 mm(E2バージョンは不可)、254 mm から選択 取付け部:M10、M12 から選択 |
電磁機械式レベルスイッチ
Electromagnetic Level Switches
SPDT、サーモスタット内蔵型、ダブルフロート式、調整可能ロッド仕様など、システムの要求に応じた柔軟な構成が可能です。
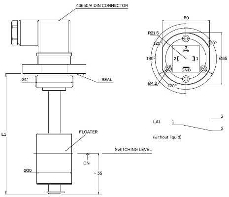
3. 電磁機械式レベルスイッチ SPDT
electromagnetic level switch SPDT
LA1
フロートの動きを電気信号として出力する、電磁機械式のレベルスイッチです。


| 接点タイプ | SPDT接点(※2)、NO(※3)またはNC(※4)としても使用可 |
| 定格電圧 / 定格電流 | 30 V / 0.25 A |
| 本体材質 | ロッド:ステンレス (SUS316) フロート:PA66 ハウジング:アルマイト加工アルミニウム |
| 最高使用圧力 | 5 bar |
| 最大流体粘度 | 150 cSt |
| 使用流体温度 | -10°C ~ +90°C |
| シール材質 | NBR |
| 取付け部ネジ | 三穴フランジ - 120°、二穴フランジ - 180°、1”BSPP に対応 (上図参照ください) |
| 端子 | DINコネクタ EN 175301-803-A (DIN43650/A) - IP65 |
| L1寸法 | 150 mm, 200 mm, 250 mm, 300 mm, 350 mm, 400 mm, 450 mm, 500 mm, 550 mm, 600 mm から選択 |
その他の電気的仕様のご要望にもご相談に応じます。
4. 電磁機械式レベルスイッチ サーモスタット付き
electromagnetic level switch single contact with thermostat
LA1T
液面レベルの検知に加え、サーモスタットによる温度管理も可能な電磁機械式スイッチです。


| 接点タイプ | SPST接点(※1)、NO(※3) (端子1 レベル、端子2 温度) |
| 定格電圧 / 定格電流 | 30 V / 0.25 A |
| 本体材質 | ロッド:ステンレス (SUS316) フロート:PA66 ハウジング:アルマイト加工アルミニウム |
| 最高使用圧力 | 5 bar |
| 最大流体粘度 | 150 cSt |
| 使用流体温度 | -10°C ~ +90°C |
| シール材質 | NBR |
| 取付け部ネジ | 三穴フランジ - 120°、二穴フランジ - 180°、1”BSPP に対応 (上図参照ください) |
| 端子 | DINコネクタ EN 175301-803-A (DIN43650/A) - IP65 |
| L1寸法 | 150 mm, 200 mm, 250 mm, 300 mm, 350 mm, 400 mm, 450 mm, 500 mm, 550 mm, 600 mm から選択 |
| 設定温度 / 設定調整 | 30°C, 40°C, 50°C, 60°C, 70°C, 80°C, 90°C / 固定設定 から選択 |
その他の電気的仕様のご要望にもご相談に応じます。
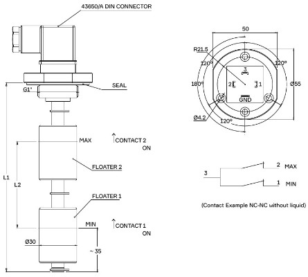
5. 電磁機械式レベルスイッチ ダブルフローター
electromagnetic level switch double floater
LA2
二つのフロートを備え、液面の上限と下限を検知できる電磁機械式レベルスイッチです 。


| 接点タイプ | SPST接点(※1)、NO(※3) (端子1 レベルMIN、端子2 レベルMAX) |
| 定格電圧 / 定格電力 | 250 V / 50 W |
| 本体材質 | ロッド:ステンレス (SUS316) フロート:PA66 ハウジング:アルマイト加工アルミニウム |
| 最高使用圧力 | 5 bar |
| 最大流体粘度 | 150 cSt |
| 使用流体温度 | -10°C ~ +90°C |
| シール材質 | NBR |
| 取付け部ネジ | 三穴フランジ - 120°、二穴フランジ - 180°、1”BSPP に対応 (上図参照ください) |
| 端子 | DINコネクタ EN 175301-803-A (DIN43650/A) - IP65 |
| L1寸法 | 125 mm, 150 mm, 200 mm, 250 mm, 300 mm, 350 mm, 400 mm, 450 mm, 500 mm, 550 mm, 600 mm から選択 |
| L2寸法 | 55 mm, 100 mm, 150 mm, 200 mm, 250 mm, 350 mm から選択(カスタマイズも可能) |
その他の電気的仕様のご要望にもご相談に応じます。
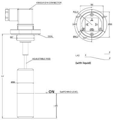
6. 電磁機械式レベルスイッチ SPDT 調整可能ロッド
electromagnetic level switch SPDT with adjustable ROD
LA3
検知ポイントを任意の位置に調整できる、電磁機械式レベルスイッチです。


| 接点タイプ | SPDT接点(※2)、NO(※3)またはNC(※4)としても使用可 |
| 定格電圧 / 定格電流 | 30 V / 0.25 A |
| 本体材質 | ロッド:ステンレス (SUS316) フロート:PA66 ハウジング:アルマイト加工アルミニウム |
| 最高使用圧力 | 5 bar |
| 最大流体粘度 | 150 cSt |
| 使用流体温度 | -10°C ~ +90°C |
| シール材質 | NBR |
| 取付け部ネジ | 三穴フランジ - 120°、二穴フランジ - 180°、1”BSPP に対応 (上図参照ください) |
| 端子 | DINコネクタ EN 175301-803-A (DIN43650/A) - IP65 |
| L1寸法 | 500 mm, 1000 mm から選択 ロッドを切断して長さを調整可能 |
その他の電気的仕様のご要望にもご相談に応じます。
脚注
※1:SPST (Single Pole Single Throw):最もシンプルな「ONかOFFか」のスイッチです。
※2:SPDT (Single Pole Double Throw):1つの入力を2つの出力のどちらかに切り替えるタイプです。「AがOFFの時はBがON」というような複雑な制御が可能です。c接点。
※3:NO (Normally Open):普段は回路が開いていて(OFF)、作動すると閉じます(ON)。a接点。
※4:NC (Normally Closed):普段は回路が閉じていて(ON)、作動すると開きます(OFF)。b接点。
端子の仕様外観については、「Caps & Connectors」を参照ください。
